NEMA17ステッピングモータ選定ガイド 取り付け寸法の規格から、用途・選び方・課題解決まで
-
自動化
-
医療・福祉
-
環境
-
車載
-
宇宙
2026年2月25日
すぐ買える、届いてすぐ使えるモータを探す(「プレクスモーション」モータ製品サイト)
ステッピングモータを選ぶ際に「NEMA17」という言葉をよく目にします。「NEMA17」とは性能を示す型番ではなく取り付け寸法を示す規格であり、NEMA17ステッピングモータと言っても種類によってその能力は大きく異なります。本記事では、NEMA17の正しい意味、選定時に見るべきポイント、そして用途に合わせた最適化方法までを体系的に解説します。
NEMA17とは
NEMA17は「約1.7インチ角のフランジ寸法」など取り付けに関する物理サイズを示す規格
NEMA17はNEMA23などと同様に、ステッピングモータのフランジ寸法や取り付け穴の位置などを標準化したサイズを表します。それらを「NEMAサイズ」と総称することもあります。NEMA(National Electrical Manufacturers Association)はアメリカの規格団体の略称で、ステッピングモータについてはNEMA ICS 16-2001で定められた規格です。
NEMA17は「1.7インチ(約42mm)角のフランジ寸法」に対応しています。モータの取り付け寸法などに対する互換性を確保するためのものです。
NEMAサイズでは角形フランジ寸法の他に、円形フランジの直径、取り付け穴の径と位置、インローの直径(インロー径)と奥行きなどが定められています。
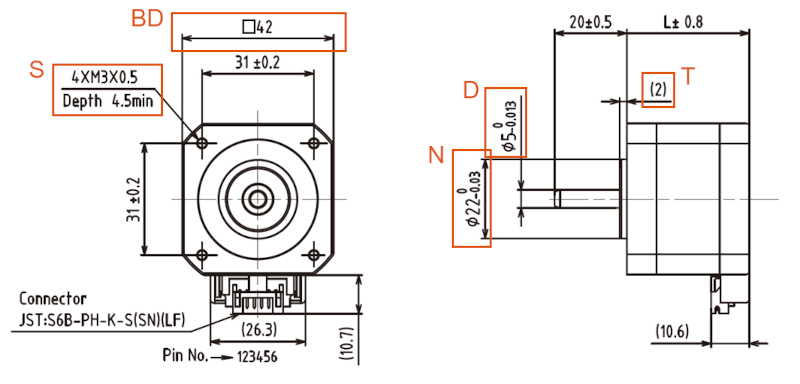
次の表は、NEMAサイズごとに規定されている各寸法をインチで表したものの例です。NEMA ICS 16-2001の「Table 2 ― Shaft number designation」および「Table 4 ― Dimensions for mounting flanges for inch dimension motors」から抜粋し整形してあります。
| NEMA サイズ |
角形フランジの一辺の長さ (参考値) BD 単位:インチ |
円形フランジの最大直径 P 単位:インチ |
インロー径(定格) N 単位:インチ |
インローの奥行(最小-最大) T 単位:インチ |
角形フランジの取付穴 (通し穴)の直径 S 単位:インチ |
シャフトの直径 (定格) D 単位:インチ |
|---|---|---|---|---|---|---|
| 17 | 1.7 | 2.36 | 0.8661 | 0.03-0.09 | 0.150±0.010 | 0.1969 |
| 23 | 2.3 | 3.21 | 1.5000 | 0.06-0.13 | 0.205±0.010 | 0.2500 |
| 34 | 3.4 | 3.58 | 2.8750 | 0.06-0.13 | 0.220±0.010 | 0.3750 |
| 42 | 4.2 | 6.19 | 2.1875 | 0.06-0.13 | 0.280±0.010 | 0.6250 |
NEMA規格 Motion/Position Control Motors, Controls and Feedback Devices
ASPINAステッピングモータSTA-42Dシリーズの外形図の例。枠で囲った要素についてNEMA規格で定められている。図中の数字の単位はmm。
NEMA17では性能は決まらない
NEMAサイズは前述の通り、主に取り付け面についての寸法を規定しているだけで、その他の物理サイズやモータの性能(トルクや電気特性など)は規定していません。モータ長やシャフト長だけでなく、トルク、電気特性、ステップ角、などはNEMAサイズとは無関係です。また同じNEMA17でも、モータの長さや巻線仕様などによって性能は大きく変わります。例えば、「このトルクを得るにはNEMA17のステッピングモータでいいだろう」という推測は必ずしも成立しません。
ステッピングモータの基礎:よりよい選定のための理解
NEMA17ステッピングモータの選定に必要な要素の理解のため、簡潔にステッピングモータの基礎を説明します。
- ステッピングモータ動作原理
- ステッピングモータは パルス信号により一定のステップ角で回転します。例えば、1.8°ステップの2相ハイブリッド型ステッピングモータの場合は1パルスで1.8°回りますから、360°/1.8°=200、すなわち200パルスでモータ軸は1回転することになります。
- 回転子の構造による分類
- PM型(Permanent Magnet Type:永久磁石型)、VR型(Variable Reluctance Type:バリアブルリラクタンス型)、HB型(Hybrid Type:ハイブリッド型)があります。
- コイルへの電流の流し方による分類
- ユニポーラ(単極性)型とバイポーラ(双極性)型があります。
- 駆動方式
- 励磁パターンによってフルステップ、ハーフステップ、マイクロステップといった駆動方式を制御できます。
ステッピングモータは、他のモータに比べて次のような特徴があります。
- 特長
-
- 回転角度がデジタル入力によるパルスの数に比例するので、位置(回転角度)の制御が容易
- 低速の回転が可能
- 位置制御がオープンループ(フィードバックが不要)でできる
- 停止時の自己保持力に優れる
- 留意点
-
- 駆動回路が必要
- 想定外の負荷変動などで脱調してしまうことがある
- 振動・騒音が大きい
これらは、後述するNEMA17ステッピングモータの選定に直結する、理解しておくべき基礎的な事柄です。
NEMA17ステッピングモータが使われる主な用途
NEMA17ステッピングモータは様々な用途で広く利用されています。ASPINAのNEMA17ステッピングモータの機種を、おおまかな用途と合わせて次の表に記します。
| 用途 | NEMA17 | NEMA17 |
|---|---|---|
| SST42C | STA-42D | |
| 3Dプリンタなどのノズルやインクヘッド | Yes | |
| コピー紙や紙幣など紙の送りや仕分け | Yes | |
| 工作機械の工具やノズル、テーブル | Yes | |
| 劇場・スタジアム照明の演出でのライトやプロジェクター | Yes | |
| 注射器型点滴装置(シリンジポンプ) | Yes | Yes |
| ロボットハンドなどのアーム機構 | Yes | |
| エアコンなどのルーバ | Yes | |
| 人工衛星の太陽光電池パネル | Yes | |
| バルブの弁体 | Yes | |
| 監視カメラの首振り | Yes | Yes |
| アンテナなど人工衛星の送受信部 | Yes | |
| 半導体製造装置や分析装置の試料ステージ | Yes |
この表に記載の情報は、本記事公開日時点のものです。
ただし用途によって求められる性能が全く違うため、NEMAサイズだけではどのモータが良いか判断できません。また同じ用途でも設計要件がいつも同じとは限りません。ASPINAでは具体的な設計要件に最適化したカスタムモータをご提供しています。
その他にもASPINAは、仕様が固定で1個から買える既製品のステッピングモータも「プレクスモーション」ブランドで販売しています。
NEMA17を選ぶために必要なポイント
NEMA17を選ぶときに“寸法以外の仕様”が重要
「どのNEMA17ステッピングモータを選べばいい?」という疑問に対しては、NEMA17として規定されている物理サイズに加え、用途に合わせて次のような仕様を確認する必要があります。性能に関する事柄が多く、選定に特に重要なポイントです。
- トルク、回転数
- 駆動方式
- 入力電流・電圧
- シャフトの長さ
- ステップ角(例:1.8°、0.9°)
- モータの軸方向の長さ
- 特殊環境条件(温度など)
- シャフトに取り付けるギアの有無
- コネクタの形状や位置
NEMA17ステッピングモータの選定時に起こりやすい問題
ステッピングモータの選定では、「NEMAサイズ=性能」と誤解してしまったり、トルク・駆動条件・周辺仕様の検討が不十分になったりしがちです。これは既製品でもカスタム品でも共通して起こりやすい問題であり、適切なモータを選べない原因になります。NEMA17といったNEMAサイズからの選定で陥りやすい“見落とし”の例は次の通りです。
フランジ寸法だけで選んでしまい、必要トルクを満たせない
ステッピングモータの選定ではまず、装置側のフランジピッチに合うNEMAサイズを選定することから始めることが多いです。しかし NEMAサイズ=出力性能ではなく、同じNEMAサイズでも出せるトルクレンジは、軸方向の長さによって大きく異なります。このため軸方向のスペースが不足していると、必要トルクを満たすNEMA17のモータが選べずにNEMAサイズを上げざるを得なくなり、機器側の取り付け部の形状変更が必要になるかもしれません。
必要トルクの算出が甘く、モータ長・駆動方式の選定を誤る
必要トルクを正確に把握しないままサイズ選定を進めると、次のようなミスマッチが起こりやすくなります。
- トルクを満たせるはずのNEMAサイズでも、軸方向長さ(モータ長)や巻線仕様によって性能が不足する
- ステップ角・駆動方式を誤ると、性能特性が用途に合わなくなる
これは既製品のステッピングモータでも、カスタム設計でも同様に起こり得ます。選定の本質は「必要トルクとモータ仕様の整合性」にあるため、ここを誤ると後から性能不足を調整することが困難になります。
駆動条件との整合を見落とす
モータの選定では、モータ単体の性能だけでなく、ドライバ側の条件との整合も重要です。起こりうる問題は次の通りです。
- 使用するドライバの駆動方式が巻線方式と合わず、本来の性能を出せない
- 定格電流を誤って選ぶと、トルクが不足したり発熱が増えたりする
- 装置側の電流容量が足りず、想定した駆動ができない
これは 既製品のステッピングモータをそのまま取り付けて使用する際だけでなく、カスタムモータでも駆動条件の設定を誤れば同じ問題が発生します。
シャフト仕様・取り付け条件・環境要件の検討漏れ
トルクやNEMAサイズの検討が中心になり、次の要素が後回しになると、実装段階で問題が発覚することがあります。
- シャフト長や、ギアなどの装着可否や適合性を後で気づく
- コネクタ形状・位置が装置側と干渉する
- 温度などの環境条件が実際の使用条件と合っていない
これらは 性能とは直接関係ありませんが、実際には“装置に組めない”“組み込んでも使えない”という深刻な問題につながる要素です。
ASPINAのステッピングモータにおける、ステップ角、NEMAサイズ、巻線方式、軸方向の長さ別のトルクレンジ(パルス周波数1000pps)の例
NEMAサイズだけでは判断しきれない場合の選定アプローチ
ステッピングモータの選定では、NEMAサイズだけでは判断できない要件や、トルク・駆動条件・取り付け仕様など多くの要素が複雑に関係します。そのため、検討の途中で例えば「どれが仕様を満たすモデルか分からない」「NEMA17では性能が足りなそう」といった壁にぶつかることがあります。
こうした状況は決して特殊なケースではなく、また既製品・カスタム品を問わず起こり得るものです。
その解決策の一つが、モータそのものを知り尽くし、かつモータ単体だけでなく装置側の条件や駆動・制御方式まで含めて最適解を探せる専門家に相談することです。ASPINAでは、まさにこの“選定段階での行き詰まり”に対して総合的に支援できる体制を整えています。
ステッピングモータでお客様の課題を解決
ASPINAのステッピングモータは、モータ単体だけでなく、駆動・制御系から機構設計までを含んだシステム部品としてもご提供しています。試作から量産、アフターサポートまで一貫して対応しています。
さまざまな業界、用途、お客様製品に求められる機能や性能、お客様の生産体制に合わせて、最適なご提案をいたします。
具体的なご要望や要求仕様のあるお客様だけでなく、次のようなお困りごとの段階でもお声掛けをいただき、開発から量産にまで対応しています。ぜひ、お気軽にご相談ください。
「どんなモータが必要か、分からない」
- 「新製品の開発が初期段階であり、具体的な仕様や設計図まで作りこんでいない。しかし開発を今後スピーディに進めるためモータについてのアドバイスが欲しい」
- 「モータに通じた専門家が社内におらず、理想の動きを実現するために必要なモータの知見がない」
「モータとその周辺部分をまとめて設計するのが難しい」
- 「当社のリソースは商品企画やコア技術の開発・設計に投入したい。それ以外のモータとその周辺部分の設計・開発をまとめて行ってくれる会社がないか」
- 「モータを変更すると他の機構部品の設計も変更せねばならず、工数と時間がかかりそう」
「用途に合った既製品が見つからない」
- 「自社製品に合ったモータのカスタム品が欲しいが、取り引きしているモータメーカーに断られた」
- 「モータをきめ細かく制御したいが、既製品モータでは対応できないので、あきらめるしかないのか」
ぜひ、お気軽にご相談ください。
すぐ買える、届いてすぐ使えるモータを探す(「プレクスモーション」モータ製品サイト)
ASPINA経営戦略室(ASJ-CS)著
同シリーズのコラム
- ステッピングモータのNEMAサイズ一覧と選び方ガイド
- ステッピングモータは何をするもの?
- DCモータの特長とその用途について解説
- ブラシ付きDCモータに比べブラシレスDCモータが優れている部分
- ブラシレスDCモータの価格と性能、部材について
- DCモータのタイプと特徴を解説
- ブラシレスDCギヤードモータとは
- ブラシレスDCモータの速度はどう制御する?速度制御方式を解説
- 小型ブラシレスDCモータの出力やサイズ・減速比の特徴と選び方のポイント
- ブラシ付きDCモータとブラシレスDCモータの違いを解説
- ブラシレスDCモータのデメリットとは?解決法をあわせて解説
- ブラシレスDCモータの利点とは?ブラシ付DCモータとの違いも解説
- 電動機とは
- ブラシレスDCモータとは
- ブラシレスDCモータの仕組みとは?駆動回路が必要な理由を解説
- どのように制御する?DCモータの速度制御
- ブラシレスDCモータには駆動回路必要?ブラシレスDCモータの制御方法
- ブラシ付きDCモータの仕組みとは?定期的なメンテナンスが必要な理由を解説
- どのように制御する?ステッピングモータの速度制御の方法
- ブラシレスDCモータの用途 その特徴を活かした例を紹介
- ステッピングモータの用途 その特徴を活かした例を紹介
- ステッピングモータの仕組みとは?制御が容易なモータ
- ブラシ付きDCモータとブラシレスDCモータにはどのような違いがある?それぞれを確認
- コンデンサモータとは
- サーボモータとは
- ブロワとは
- アクチュエータとは
- ステッピングモータとは
- DCモータとは?その特徴や仕組みを紹介