ステッピングモータのNEMAサイズ一覧と選び方ガイド
-
自動化
-
医療・福祉
-
環境
-
車載
-
宇宙
2025年11月26日
すぐ買える、届いてすぐ使えるモータを探す(「プレクスモーション」モータ製品サイト)
ステッピングモータを選定する際に、よく耳にする言葉に「NEMAサイズ」があります。NEMAサイズとは、モータの取り付け寸法を示す規格です。しかしトルクや電気特性などを定めておらず、NEMAサイズだけではモータを選定することができません。本記事では、NEMAサイズの一覧を用いて定義を整理し、ステッピングモータを選定するにあたりサイズ以外の重要なポイントをわかりやすく解説します。
NEMA規格におけるステッピングモータ「NEMAサイズ」の定義
NEMA規格とは?
NEMA(National Electrical Manufacturers Association)はアメリカの規格団体で、ステッピングモータについてはNEMA ICS 16-2001で規格が定められています。この中ではステッピングモータのフランジ寸法や取り付け穴の位置などが標準化されています。これにより、異なるメーカーのモータでも取り付け互換性が確保されます。
NEMAサイズでは主に取り付け面に関する物理的な寸法を規定 ただしモータ性能を定義していない
「NEMA17」「NEMA23」という呼び方は、モータの角形フランジの一辺の長さをインチで表したものと符合しています。例えば次の通りです。
- NEMA17は約1.7インチ(約42mm)
- NEMA23は約2.3インチ(約56mm)
NEMA ICS 16-2001では、主に次の寸法が定義されています。
- 角形フランジの一辺の長さ(または円形フランジの直径)
- 取付穴の径と位置
- インローの直径(インロー径)と奥行き
NEMAサイズは主に取り付け面についての寸法を規定しているだけで、モータの性能(トルクや電気特性など)は規定していません。同じNEMAサイズでも、モータの長さや巻線仕様によって性能は大きく変わります。
NEMAで規定されるステッピングモータの寸法要素とサイズチャート
次の表は、NEMAサイズごとに規定されている各寸法をインチで表したものの例です。NEMA ICS 16-2001の「Table 2 ― Shaft number designation」および「Table 4 ― Dimensions for mounting flanges for inch dimension motors」から抜粋し整形してあります。
| NEMA サイズ |
角形フランジの一辺の長さ (参考値) BD 単位:インチ |
円形フランジの最大直径 P 単位:インチ |
インロー径(定格) N 単位:インチ |
インローの奥行(最小-最大) T 単位:インチ |
角形フランジの取付穴 (通し穴)の直径 S 単位:インチ |
シャフトの直径 (定格) D 単位:インチ |
|---|---|---|---|---|---|---|
| 17 | 1.7 | 2.36 | 0.8661 | 0.03-0.09 | 0.150±0.010 | 0.1969 |
| 23 | 2.3 | 3.21 | 1.5000 | 0.06-0.13 | 0.205±0.010 | 0.2500 |
| 34 | 3.4 | 3.58 | 2.8750 | 0.06-0.13 | 0.220±0.010 | 0.3750 |
| 42 | 4.2 | 6.19 | 2.1875 | 0.06-0.13 | 0.280±0.010 | 0.6250 |
NEMA規格 Motion/Position Control Motors, Controls and Feedback Devices
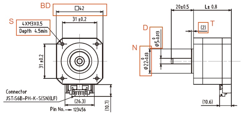
ASPINAステッピングモータSTA-42Dシリーズの外形図の例。枠で囲った要素についてNEMA規格で定められている。図中の数字の単位はmm。
NEMA規格で厳密に定義されているのは円形フランジの直径や取付穴の位置です。角形フランジについては、規格では一辺の長さは参考値とされています。ただし、当社では慣例として、NEMAサイズの番号に合わせて角形フランジの一辺の長さを決めています。
NEMAサイズとASPINAステッピングモータ製品との対比およびおおまかな用途
ASPINAでは、サイズからステッピングモータを選定するお客様に分かりやすいよう、機種ごとに情報を提供しています。当社ステッピングモータの機種ごとのおおまかな用途と合わせて、次の表に記しました。
| 用途 | NEMA11 | NEMA14 | NEMA16 | NEMA17 | NEMA17 | NEMA23 | NEMA24 | NEMA34 |
|---|---|---|---|---|---|---|---|---|
| SST28D | SST35D | SST36C | SST42C | STA-42D | STA-56D | SST60D | SST86D | |
| 3Dプリンタなどのノズルやインクヘッド | Yes | |||||||
| コピー紙や紙幣など紙の送りや仕分け | Yes | Yes | ||||||
| ベルトコンベアの駆動ローラ | Yes | Yes | Yes | Yes | Yes | |||
| 工作機械の工具やノズル、テーブル | Yes | Yes | Yes | Yes | Yes | Yes | ||
| 劇場・スタジアム照明の演出でのライトやプロジェクター | Yes | Yes | Yes | |||||
| 注射器型点滴装置(シリンジポンプ) | Yes | Yes | Yes | Yes | Yes | |||
| ロボットハンドなどのアーム機構 | Yes | Yes | Yes | |||||
| エアコンなどのルーバ | Yes | Yes | ||||||
| 人工衛星の太陽光電池パネル | Yes | Yes | Yes | Yes | ||||
| バルブの弁体 | Yes | Yes | Yes | Yes | ||||
| 監視カメラの首振り | Yes | Yes | Yes | |||||
| アンテナなど人工衛星の送受信部 | Yes | Yes | Yes | |||||
| 半導体製造装置や分析装置の試料ステージ | Yes | Yes | Yes |
この表に記載の情報は、本記事公開日時点のものです。
NEMAサイズでは語られない、ステッピングモータ選定での重要なポイント
NEMAサイズはステッピングモータの一部の寸法のみを規定しています。下に記すような仕様はNEMAでは規定されていませんが、ステッピングモータの選定には重要です。
- トルク、回転数
- 駆動方式
- 入力電流・電圧
- シャフトの長さ
- ステップ角(例:1.8°、0.9°)
- 特殊環境条件(温度など)
- シャフトに取り付けるギアの有無
- コネクタの形状や位置
用途に合ったステッピングモータの選び方
取り付け部のサイズを確認
装置側のフランジピッチに合うNEMAサイズを確認し、そのサイズで出せるトルクレンジを、モータメーカーの製品から選定します。ただし軸方向に十分なスペースが確保できない場合は、トルクを満たすためにNEMAサイズの大きなステッピングモータを選定することになります。
ASPINAのステッピングモータにおける、ステップ角、NEMAサイズ、巻線方式、軸方向の長さ別のトルクレンジ(パルス周波数1000pps)の例
トルク要求を把握
必要なトルクを計算し、モータのサイズなどとの関係を確認します。NEMAサイズだけでなく、駆動方式やモータの軸方向への長さなども、具体的なモータ製品を特定するための判断材料となります。
駆動条件を考慮
駆動方式や電流などとの関係を確認します。ドライバの駆動方式から巻線方式が決まり、トルク・回路定格・装置側の電流容量などを考慮して、定格電流を決定します。
その他の仕様を検討
シャフトの長さやシャフトに取り付けるギアなどの要否、モータ取り付け部分の形状に影響するコネクタの有無や位置、温度などの環境条件も重要です。
ステッピングモータでお客様の課題を解決
ASPINAのステッピングモータは、モータ単体だけでなく、駆動・制御系から機構設計までを含んだシステム部品としてもご提供しています。試作から量産、アフターサポートまで一貫して対応しています。
さまざまな業界、用途、お客様製品に求められる機能や性能、お客様の生産体制に合わせて、最適なご提案をいたします。
具体的なご要望や要求仕様のあるお客様だけでなく、次のようなお困りごとの段階でもお声掛けをいただき、開発から量産にまで対応しています。ぜひ、お気軽にご相談ください。
「どんなモータが必要か、分からない」
- 「新製品の開発が初期段階であり、具体的な仕様や設計図まで作りこんでいない。しかし開発を今後スピーディに進めるためモータについてのアドバイスが欲しい」
- 「モータに通じた専門家が社内におらず、理想の動きを実現するために必要なモータの知見がない」
「モータとその周辺部分をまとめて設計するのが難しい」
- 「当社のリソースは商品企画やコア技術の開発・設計に投入したい。それ以外のモータとその周辺部分の設計・開発をまとめて行ってくれる会社がないか」
- 「モータを変更すると他の機構部品の設計も変更せねばならず、工数と時間がかかりそう」
「用途に合った既製品が見つからない」
- 「自社製品に合ったモータのカスタム品が欲しいが、取り引きしているモータメーカーに断られた」
- 「モータをきめ細かく制御したいが、既製品モータでは対応できないので、あきらめるしかないのか」
ぜひ、お気軽にご相談ください。
すぐ買える、届いてすぐ使えるモータを探す(「プレクスモーション」モータ製品サイト)
同シリーズのコラム
- NEMA17ステッピングモータ選定ガイド 取り付け寸法の規格から、用途・選び方・課題解決まで
- ステッピングモータは何をするもの?
- DCモータの特長とその用途について解説
- ブラシ付きDCモータに比べブラシレスDCモータが優れている部分
- ブラシレスDCモータの価格と性能、部材について
- DCモータのタイプと特徴を解説
- ブラシレスDCギヤードモータとは
- ブラシレスDCモータの速度はどう制御する?速度制御方式を解説
- 小型ブラシレスDCモータの出力やサイズ・減速比の特徴と選び方のポイント
- ブラシ付きDCモータとブラシレスDCモータの違いを解説
- ブラシレスDCモータのデメリットとは?解決法をあわせて解説
- ブラシレスDCモータの利点とは?ブラシ付DCモータとの違いも解説
- 電動機とは
- ブラシレスDCモータとは
- ブラシレスDCモータの仕組みとは?駆動回路が必要な理由を解説
- どのように制御する?DCモータの速度制御
- ブラシレスDCモータには駆動回路必要?ブラシレスDCモータの制御方法
- ブラシ付きDCモータの仕組みとは?定期的なメンテナンスが必要な理由を解説
- どのように制御する?ステッピングモータの速度制御の方法
- ブラシレスDCモータの用途 その特徴を活かした例を紹介
- ステッピングモータの用途 その特徴を活かした例を紹介
- ステッピングモータの仕組みとは?制御が容易なモータ
- ブラシ付きDCモータとブラシレスDCモータにはどのような違いがある?それぞれを確認
- コンデンサモータとは
- サーボモータとは
- ブロワとは
- アクチュエータとは
- ステッピングモータとは
- DCモータとは?その特徴や仕組みを紹介